
煙臺開發區龍海起重工具有限公司銷售:盧森堡CODIPRO品牌產品,SEB+C旋轉吊環(也稱旋轉吊點),有公制螺紋和UNC螺紋,安全系數達4倍或5倍。

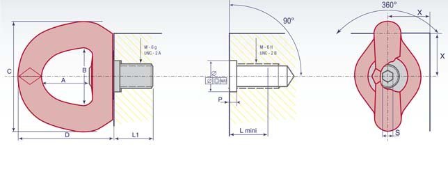
SEB+C盧森堡CODIPRO旋轉吊環介紹:
* 可360度旋轉,因此被稱為萬向旋轉吊環
* 安全系數達4倍或5倍,使用壽命長,操作安全。
* 允許鉤移動至平行于該旋轉環成90°的支撐面,5倍以上安全系數,操作安全可靠。
* 每個旋轉吊點都隨附有用戶手冊和合格證明。 它們通過了ISO 14001和ISO 9001認證,符合基本的安全要求。

SEB+C盧森堡CODIPRO旋轉吊環應用:
廣泛應用于模具行業、機械廠,裝卸/運輸/物流,造船,海上鉆井,起重,航空和風能等行業.
