
TIRTANK CWDP電動搬運小坦克為日本TIRROLLER品牌產品,公司創立于1946年,煙臺開發區龍海起重工具有限公司銷售。

TIRTANK CWDP電動搬運小坦克介紹:
* TIRTANK CWDP電動搬運小坦克采用電力驅動,移動重物時省時省力,提高了工作效率
* TIRTANK CWDP電動搬運小坦克噪音小;采用聚氨酯輪子,保護地面無損傷,適用于無塵環境,清潔室等
* TIRTANK CWDP電動搬運小坦克采用懸掛式控制開關操作,單獨的控制面板,速度可控
* TIRTANK CWDP電動搬運小坦克采用制動裝置,確保安全作業。
* TIRTANK CWDP電動搬運小坦克通過分離驅動裝置,可手動操作;通過拆分主體、驅動裝置和控制面板,攜帶方便。

TIRTANK CWDP電動搬運小坦克用于一些無塵室機械設備的搬運、安裝;電子設備的移動;百級潔凈室等場合。

TIRTANK CWDP電動搬運小坦克為日本原裝進口產品,保質1年,我公司承諾凡是客戶在我公司訂購的進口類產品均為原裝正品,絕不存在拆件貨,換件貨,假冒品牌產品,如收到貨物時發現有拆件貨,換件貨,假冒、假貨仿貨均以100倍金額賠償。
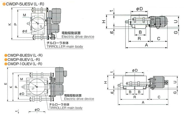
產品選型:
產品資料: